返回產品列表
LX,LY90系列

產品特色:

●驅動方式採用交叉滾子導軌,可實現高精度,平滑的移動。

●主體材料為鋁合金,質量輕,適合內置於其它裝置。

●臺面尺寸從30mm~200mm,規格多樣。

●驅動方式可選擇微分頭和精密螺桿。

 

標準系列:

Wideray

移動方式 移動方向 臺面尺寸 微分頭安裝位置 組合方式* 平臺材質 位移行程

平行方向

交叉導軌型

X:X軸一個方向

Y:XY軸兩個方向

單位:mm

參考下圖

無標記:標準型

M:薄型

B:超薄型

無標記:鋁合金

    S:鐵質

無標記:標準行程數 字:非標行程

※只適合與XY軸,標準型由2個X軸組合,薄型和超薄型為一體式

 

Wideray
Wideray

 

產品變更
Wideray    Wideray

 

※以上變更並非適用於所有平臺,如有需要請聯絡銷售人員。

 

 

 

 

安裝方法

Wideray

  將平臺面移至極限位置,如上圖所示,露出2處安裝孔,

請先將配套的螺栓放入,作暫時固定即可,請確認螺栓已經

完全進入螺栓安裝孔中,然後進行下一步的操作。

  接下來,請逆時針轉動微分頭,將平臺面移到另一側極限

位置,在與剛在位置相反的一側,會露出另外2處安裝孔。

請將配套的螺栓放入,並擰緊到一定程度。確認與安裝位置

吻合後,先將2處安裝孔的螺栓完全固定,最後再固定前2處

安裝孔的螺栓。

 

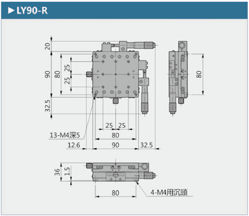
  LX90-C LX90-L LX90-R LY90-C LY90-L LY90-R
移動方向 X軸一個方向 XY軸兩個方向
主體材質 鋁合金(黑色陽極)
驅動方式 微分頭
臺面大小 90mm x 90mm
臺面厚度 18mm 36mm
行程 ±12.5mm(可訂製±6.5mm)
負載 93.1N(9.5kgf)
最小刻度 0.01mm
移動平行度 ≤0.02mm/25mm
平行度 0.03mm 0.06mm
重量 0.47kg 0.94kg

 

Wideray Wideray Wideray
Wideray Wideray Wideray

 

Wideray Wideray
Wideray Wideray
Wideray Wideray

 

 

 

目前還沒有留言,成為第一個留言的人吧!

我要留言