返回產品列表
X軸長行程燕尾槽滑台
手動微調滑台系列 燕尾槽平台

X軸長行程燕尾槽滑台

產品型號說明:

Wideray

①移動方式:平行方向,燕尾槽型

②移動方向:X:X軸一個方向、Z: Z軸一個方向

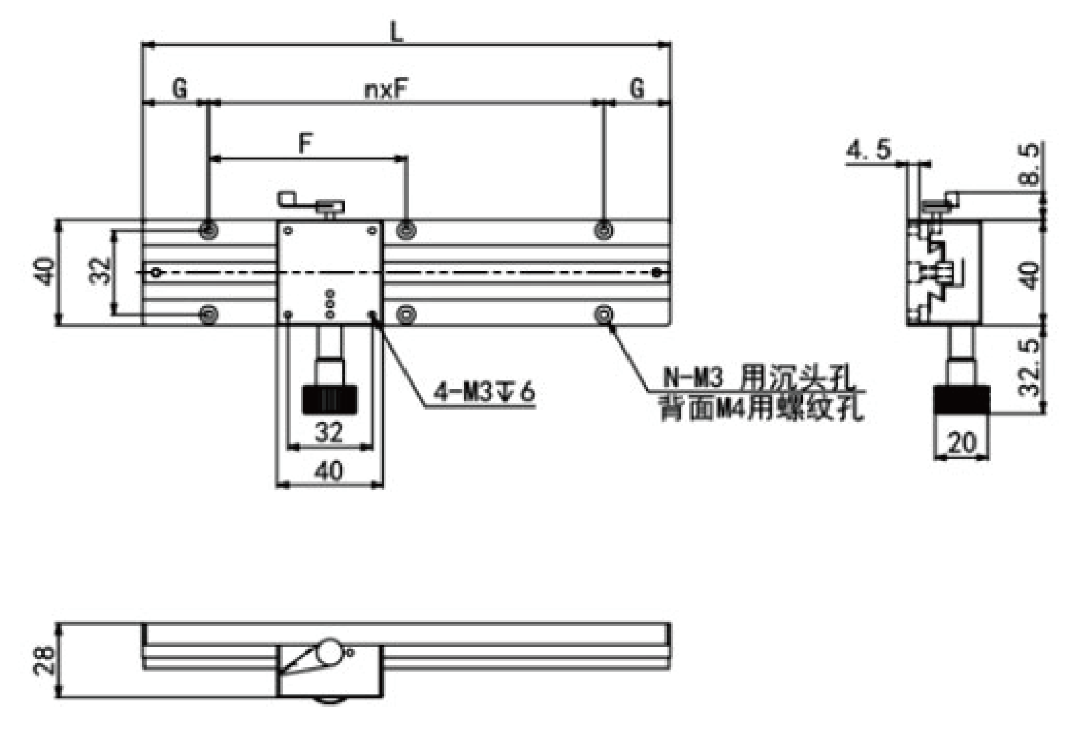
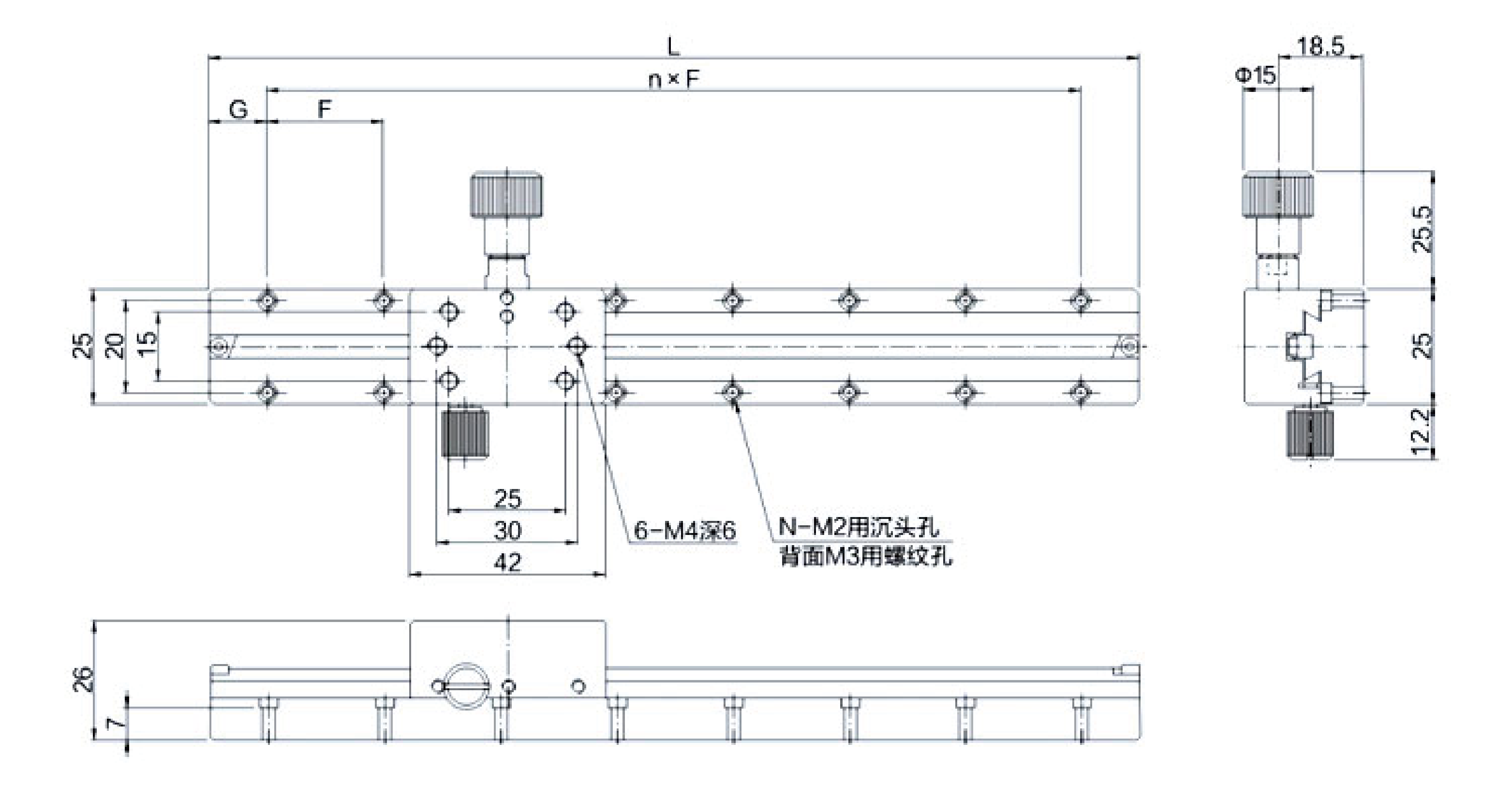
③台面尺寸:25(25X42mm)、40(40x40mm)、60(60x60mm)

④滑台長度:L100,長度100mm

⑤滑塊數量:預設:單個滑塊,數字:滑塊數量

Wideray

 

平台安裝方法

Wideray

從上可使用沉頭孔進行安裝,從下可使用螺紋孔進行安裝

 

LWX25系列

Wideray

型號 檯面大小 L G nxF N 負載 平行度 行程 重量
LWX25-L50 25X42 50 12.5 1x25 4 29.4N(3kgf) 0.05 30 0.12kg
LWX25-L70 70 10 2x25 6 0.05 50 0.13kg
LWX25-L100 100 12.5 3x25 8 0.05 80 0.16kg
LWX25-L150 150 4x25 10 0.1 130 0.21kg
LWX25-L200 200 5x25 12 0.15 180 0.25kg

 

LWX40系列

Wideray

 

型號 檯面大小 L G nxF N 負載 平行度 行程 重量
LWX40-L100 40X40 100 12.5 1x75 4 29.4N(3kgf) 0.05 60 0.25kg
LWX40-L150 150 25 1x100 0.05 110 0.33kg
LWX40-L200 200 2x75 6 0.05 160 0.39kg
LWX40-L250 250 2x100 0.1 210 0.46kg
LWX40-L300 300 50 2x100 0.1 260 0.53kg
LWX40-L350 350 3x100 8 0.1 310 0.61kg
LWX40-L400 400 3x100 0.1 350 0.78kg

 

LWX60系列

Wideray

型號 檯面大小 L G nxF N 負載 平行度 行程 重量
LWX60-L100 60X60 100 12.5 1x75 4 59.4N(6kgf) 0.05 60 0.35kg
LWX60-L150 150 25 1x100 0.05 110 0.46kg
LWX60-L200 200 2x75 6 0.05 160 0.53kg
LWX60-L250 250 2x100 0.05 210 0.61kg
LWX60-L300 300 50 2x100 0.05 260 0.69kg
LWX60-L400 400 100 3x75 8 0.05 360 0.81kg
LWX60-L500 500 125 3x75 14 0.05 460 0.93kg

 

Wideray Wideray
Wideray Wideray

目前還沒有留言,成為第一個留言的人吧!

我要留言